在庫あり時即日発送 三相電機 マグネットポンプ PMD-0531B2B21 単相100V 50Hz/60Hz共通 ホース接続型 送料無料
在庫あり時即日発送 三相電機 マグネットポンプ PMD-0531B2B21 単相100V 50Hz/60Hz共通 ホース接続型 送料無料
受取状況を読み込めませんでした
共有
マグネットポンプ(ケミカル海水用)高出力タイプ
飼育槽・飲料水の循環に・冷水・海水の循環に・科学液の循環と移送に。
| ■仕様 | |
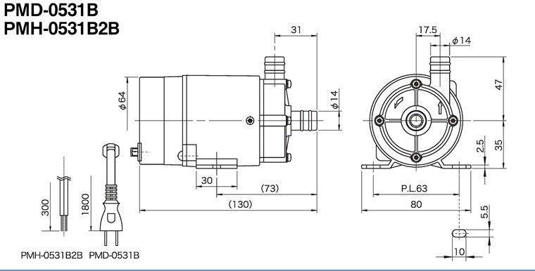
| 機種名 | PMD-0531B2B21 |
| 口径 | ホース 14A(mm) |
| 最大揚程 | 1.7/2.5(m) |
| 最大揚水量 | 10/12(L/min) |
| 揚程−揚水量(性能標準値) | 1-6/1−9(m−L/min) |
| 定格出力 | 4/6(W) |
| 消費電力 | 18/20(W) |
| 電圧 | 単相100(V) |
| 製品質量 | 0.7(kg) |
| ※各性能値は50Hz/60Hzの値を表します。 ■取扱い液の条件 ※雰囲気温度:0−40℃まで ※使用液の温度範囲:0−60℃まで ※使用液の動粘度範囲:30mm2/sまで ※比重:1.1以下 ※スラリー液はポンプ寿命を低下させます。 ■設置場所:屋内設置用 ■許容押込圧:100kPa以下 ■異常圧、衝撃圧がかかる場合ポンプ部が破損することがあります。 ■UL対応しているものもあります。 |
|
ホース接続型(ホースをつなぐだけですので接続が簡単)
とネジ接続型の2種類ありますのでメールにてお申し付け下さい。
◆ホース接続型フロントケーシング
機械強度を増すために充填材を混入したポリプロピレンで一体成形されています。
◆ネジ接続型フロントケーシング
ホース接続型と同様に、ポリプロピレンで一体成形です。口径に応じたストレートネジを標準化しました。
接続部の信頼性は一段と向上、装置などへの組み込みの際も配管はスッキリ、コンパクトに接続できます。
■用途
●冷却循環・海水循環・化学液(一部を除く)の循環
●各種機械セット用・生け簀・海水プラント
■特長
●高性能で省エネ
従来品と比べポンプの効率を35%向上しました。 小型、軽量化となり、騒音で5dB低減、振動を50%低減しました。
●長寿命液モレなし
サンソーマグネットポンプは、軸封部の無いポンプです。液モレの心配は一切無く樹脂製ですので、腐食性の高い特殊液の移送に適し、小型機種から工業プロセス用の大型機種まで、その優れた性能と豊富な機種により幅広い分野で活躍しています。
●液モレを完全に追放
マグネットドライブ方式によるシールレスポンプです。ポンプ部の液モレ・腐食は無く、ポンプ回りの汚れやメカニカルシール交換の手間も追放しました。装置組み込みに最適なポンプです。
●優れた耐食性と長寿命
ポンプ主要部はポリプロピレン製で、軸はセラミック、そして小型を含め全機種とも軸受けはテフロン(ルーロン)、Oリングはフッ素ゴムといったケミカル用に適したものを使用し、液の汚染や電食現象もなく優れた性能を発揮します。ケミカル用としてごく一部を除いて、酸、アルカリなどの化学液移送に使えます。
●全閉屋内型モータ
全閉モータを採用しているため、多湿な環境や粉塵の多い場所の設置を可能とし、安全性や信頼性を向上しました。
