三相電機 マグネットポンプ PMD-641B2V 単相100V 50Hz/60Hz共通 フランジ接続型 送料無料 但、一部地域除 代引/同梱不可
三相電機 マグネットポンプ PMD-641B2V 単相100V 50Hz/60Hz共通 フランジ接続型 送料無料 但、一部地域除 代引/同梱不可
受取状況を読み込めませんでした
共有
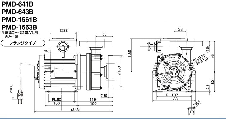
口径 フランジ20A(mm)
揚程 5.7/8.0m
揚水量 62/72L/min
揚程-揚水量 3-50/5-50
定格出力 65/100W
消費電力 105/155W
電圧 100V
重量 4.8kg
■取扱い液の条件
※雰囲気温度:0−40℃まで
※使用液の温度範囲:0−60℃まで
※使用液の動粘度範囲:30mm2/sまで
※比重:1.1以下
※スラリー液はポンプ寿命を低下させます。
■設置場所:屋内設置用
■許容押込圧:100kPa以下
■異常圧、衝撃圧がかかる場合ポンプ部が破損することがあります。
■UL対応しているものもあります。
◆ ホース接続型フロントケーシング
機械強度を増すために充填材を混入したポリプロピレンで一体成形されています。
接続部の信頼性は一段と向上、装置などへの組み込みの際も配管はスッキリ、コンパクトに接続できます。
■用途
●冷却循環・海水循環・化学液(一部を除く)の循環
●各種機械セット用・生け簀・海水プラント
■特長
●高性能で省エネ
従来品と比べポンプの効率を35%向上しました。 小型、軽量化となり、騒音で5dB低減、振動を50%低減しました。
●長寿命液モレなし
サンソーマグネットポンプは、軸封部の無いポンプです。液モレの心配は一切無く樹脂製ですので、腐食性の高い特殊液の移送に適し、小型機種から工業プロセス用の大型機種まで、その優れた性能と豊富な機種により幅広い分野で活躍しています。
●液モレを完全に追放
マグネットドライブ方式によるシールレスポンプです。ポンプ部の液モレ・腐食は無く、ポンプ回りの汚れやメカニカルシール交換の手間も追放しました。装置組み込みに最適なポンプです。
●優れた耐食性と長寿命
ポンプ主要部はポリプロピレン製で、軸はセラミック、そして小型を含め全機種とも軸受けはテフロン(ルーロン)、Oリングはフッ素ゴムといったケミカル用に適したものを使用し、液の汚染や電食現象もなく優れた性能を発揮します。ケミカル用としてごく一部を除いて、酸、アルカリなどの化学液移送に使えます。
●全閉屋内型モータ
全閉モータを採用しているため、多湿な環境や粉塵の多い場所の設置を可能とし、安全性や信頼性を向上しました。
冷水使用時は結露対策をしてください。
水槽錦鯉 錦鯉販売 錦鯉通販の大谷錦鯉店
鯉 錦鯉1匹より販売 水槽錦鯉も販売中。
循環ポンプ 鯉水槽循環ポンプ 錦鯉循環ポンプ 金魚池水水槽循環ポンプ
